FQ41F46襯氟放料球閥
FQ41F46襯氟放料球閥适用在-50℃~150℃的各種濃度的王水、硫酸、鹽酸、氫氟酸和各種有機酸、強酸、強氧化劑,FEP還适用于各種濃度的強堿有機溶劑以及其它腐蝕性氣體、液體介質的管路上使用。
|
産品名稱: |
襯氟放料球閥 |
産品型号: |
FQ41F46 |
|
公稱通徑: |
DN15~DN300 |
結構形式: |
球形 |
|
公稱壓力: |
1.6Mpa~6.4Mpa |
連接方式: |
法蘭 |
|
适用溫度: |
≤450ºC |
驅動方式: |
手動、氣動、電動 |
|
閥體材質: |
鑄鋼、不鏽鋼 |
制造标準: |
國标GB、德國DIN、美國API、ANSI |
|
适用介質: |
水、油、氣體、導熱油、液體 |
生産廠家: |
上海凱利科閥門有限公司 |
産品說明
FQ41F46襯氟放料球閥适用在-50℃~150℃的各種濃度的王水、硫酸、鹽酸、氫氟酸和各種有機酸、強酸、強氧化劑,FEP還适用于各種濃度的強堿有機溶劑以及其它腐蝕性氣體、液體介質的管路上使用。爲各種強腐蝕性介質的啓閉控制而設計,閥門的兩端法蘭大小不等,一端爲标準法蘭一端爲與反應釜底放料孔配套的法蘭,很方便的就可以連接在反應釜底。其結構形式爲浮動直通式,連接形式爲法蘭,閥外殼采用碳鋼内襯氟塑料,閥球爲與閥杆一體式金屬嵌件外包氟塑料工藝制造,具有耐腐密封性好、啓閉靈活、快速的特點且外型美觀、強度高、經久耐用。
産品特點
采用軟密封密封及襯氟工藝,密封性能可靠
2、體積小、重量輕、結構簡單、流阻小、安裝維修方便
3、FQ41F46襯氟放料球閥采用電動控制非常方便,無需要借助人力,直接操作按鈕即可
4、耐腐蝕:閥體内腔及理體均包襯2.5-3mm厚的F46,能耐酸、堿,氨氣、鹽水等強腐蝕介質。
主要零部件材料
|
零件名稱 |
材料名稱 |
|
FQ41F46-Z |
FQ41F46-C |
FQ41F46-P |
FQ41F46-R |
FQ41F46-PL |
FQ41F46-RL |
|
閥體/閥蓋 |
HT250 |
WCB |
CF8 |
CF8M |
CF3 |
CF3M |
|
球體/閥杆 |
WCB |
WCB |
CF8 |
CF8M |
CF3 |
CF3M |
|
内襯材料 |
FEP(F46)、PCTFE(F3)、PTFE(F4)、PFA(可溶性聚四氟乙烯)、PO(聚烯烴) |
|
填料壓蓋 |
HT250 |
WCB |
CF8 |
CF8M |
CF3 |
CF3M |
|
填料 |
PTFE(F4)聚四氟乙烯 |
|
螺栓 |
35 |
35 |
1Crl7Ni2 |
1Crl7Ni2 |
1Cr18Ni2 |
1Cr18Ni2 |
|
緊固螺母 |
45 |
45 |
OCrl8Ni9 |
OCrl8Ni9 |
0Cr18Ni9 |
0Cr18Ni9 |
|
操作手柄 |
WCB |
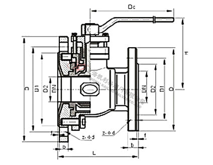
外形結構圖
主要外形連接尺寸
|
公稱通徑 |
PN 0.6-1.6(MPa) 主要外形尺寸和連接尺寸 (mm) |
重量 |
|
DN |
L |
D |
D1 |
D2 |
f |
b |
z-φd |
D0 |
H |
kg |
|
32 |
140 |
135/160 |
100/130 |
78/115 |
3/3 |
18/20 |
4-φ14/4-φ18 |
200 |
130 |
9 |
|
40 |
160 |
145/185 |
110/150 |
85/125 |
3/4 |
18/22 |
4-φ18/4-φ18 |
230 |
135 |
15 |
|
79 标 |
50 |
170 |
160/205 |
125/170 |
100/140 |
3/4 |
20/24 |
4-φ18/4-φ18 |
250 |
140 |
18 |
|
80 |
200 |
195/245 |
160/200 |
130/175 |
4/5 |
22/26 |
4-φ18/8-φ18 |
300 |
205 |
35 |
|
69 标 |
50 |
170 |
160/230 |
125/190 |
100/140 |
3/4 |
20/24 |
4-φ18/8-φ14 |
250 |
140 |
18 |
|
80 |
200 |
195/245 |
160/210 |
130/175 |
4/5 |
22/26 |
4-φ18/10-φ14 |
300 |
205 |
35 |
|
100 |
280 |
215/280 |
180/240 |
150/210 |
4/5 |
24/28 |
8-φ18/8-φ23 |
350 |
230 |
44 |
聲明:【FQ41F46襯氟放料球閥】規格型号、結構尺寸由上海凱利科閥門有限公司提供,如何選擇适用的FQ41F46襯氟放料球閥産品,使之在工藝控制中安全可靠、經濟适用,可緻電我司銷售部門及技術部門,我們将在最短的時間内爲您解答! |